Buď prvý!
Získaj najnovšie správy a aktualizácie – prihlás sa na náš newsletter!
Svetelní dizajnéri a inžinieri
Systémoví integrátori
Inštalatéri a veľkoobchodníci
Brighter Lives, Better World
Kalkulačka Green Switch
Príbehy zákazníkov
Kontakt
Kariéra
Novinky a udalosti
Oficiálny katalóg osvetlenia Philips má nový domov!
Leták produktov pdf 428.0 kB
Product-Photographs-913700752926_EU ZIP
Product-Diagrams-913700752926_EU ZIP
Popis produktu
Philips BSN 250 K302-A2-ITS 230V 50Hz
Dimension Drawing (with table) - BSN 250 K302-A2-ITS 230V 50Hz
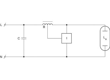
GDWD_BSN-BC4H_0001-Wiring diagram
Family
Product