Buď prvý!
Získaj najnovšie správy a aktualizácie – prihlás sa na náš newsletter!
Svetelní dizajnéri a inžinieri
Systémoví integrátori
Inštalatéri a veľkoobchodníci
Brighter Lives, Better World
Kalkulačka Green Switch
Príbehy zákazníkov
Kontakt
Kariéra
Novinky a udalosti
Oficiálny katalóg osvetlenia Philips má nový domov!
Leták produktov pdf 517.6 kB
Product-Photographs-927939483040_EU ZIP
Product-Diagrams-927939483040_EU ZIP
Popis produktu
Philips PL-Q 38W/830/4P 1CT/10BOX
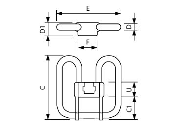
Dimension Drawing (with table) - PL-Q 38W/830/4P 1CT/10BOX
Cap/Base
Spectral Power Distribution Colour - PL-Q 38W/830/4P 1CT/10BOX
Service lifetime - 3 hour cycle
Lumen Maintenance Diagram - PL-Q 38W/830/4P 1CT/10BOX
Life expectancy diagram - 3 hour cycle
Life expectancy diagram - 12 hour cycle
Service lifetime - 12 hour cycle
Family
Product